联系聚美 / contact us
地 址:江苏省常州市武进区郑陆镇焦溪
联系人:薛先生
手 机:18921013038
电 话:0519 - 83812850
传 真:0519 - 83822850
网 址:http://www.jmdry.com
邮 箱:czjumei@126.com

- 扫描关注微信公众号
大连客户EYH-2000型二维运动混合机发货现场
信息来源: 本站 | 发布日期:
2020-01-06
| 浏览量:
文章标签:混合机,二维运动混合机,二维混合机

工作原理
二维混料机主要由转筒、摆动架、机架三大部分构成。转筒装在摆动架上,由四个滚轮支撑并由两个挡轮对其进行轴向定位,在四个支撑滚轮中,其中两个传动轮由转动动力系统拖动使转筒产生转动,摆动架由一组曲柄摆杆机构来驱动,曲柄摆杆机构在机架上,摆动架由轴承组件支撑在机架上。
性能特点
EYH二维混料机的转筒可同时进行二个运动,一个为转筒的转动,另一个为转筒随摆动架的摆动。被混合物料在转筒内随转筒转动、翻转、混合的同时,又随转筒的摆动而发生左右来回的掺混运动,在这两个运动的共同作用下,物料在短时间内得到充分的混合。EYH二维混料机适合所有粉、粒状物料的混合。
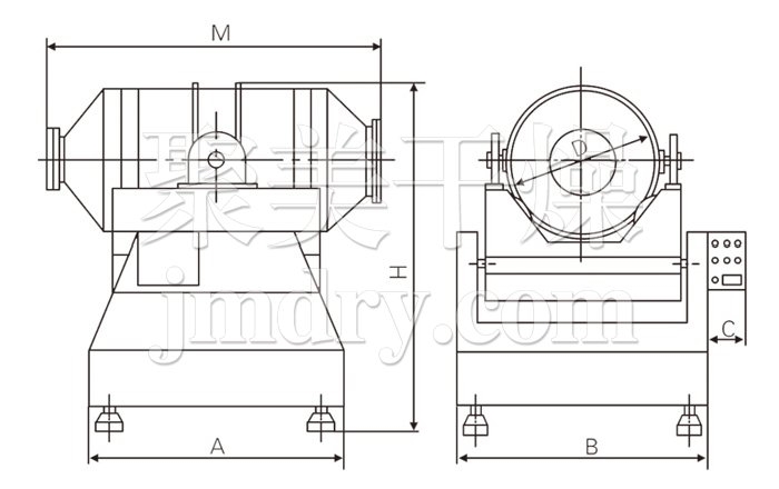
结构示意图
技术规格
| 规格型号 | 容积(L) | 装料系数 |
装料重量 (kg) |
外型尺寸(mm) | 功率(kw) | ||||||
| A | B | C | D | M | H | 转动 | 摆动 | ||||
| EYH100 | 100 | 0.5 | 40 | 860 | 900 | 200 | 400 | 1000 | 1500 | 1.1 | 0.75 |
| EYH300 | 300 | 0.5 | 75 | 1000 | 1100 | 200 | 580 | 1400 | 1650 | 1.1 | 0.75 |
| EYH600 | 600 | 0.5 | 150 | 1300 | 1250 | 240 | 720 | 1800 | 1850 | 1.5 | 1.1 |
| EYH800 | 800 | 0.5 | 200 | 1400 | 1350 | 240 | 810 | 1970 | 2100 | 1.5 | 1.1 |
| EYH1000 | 1000 | 0.5 | 350 | 1500 | 1390 | 240 | 850 | 2040 | 2180 | 2.2 | 1.5 |
| EYH1500 | 1500 | 0.5 | 550 | 1800 | 1550 | 240 | 980 | 2340 | 2280 | 3 | 1.5 |
| EYH2000 | 2000 | 0.5 | 750 | 2000 | 1670 | 240 | 1100 | 2540 | 2440 | 3 | 2.2 |
| EYH2500 | 2500 | 0.5 | 950 | 2200 | 1850 | 240 | 1160 | 2760 | 2600 | 4 | 2.2 |
| EYH3000 | 3000 | 0.5 | 1100 | 2400 | 1910 | 280 | 1220 | 2960 | 2640 | 5 | 4 |
| EYH5000 | 5000 | 0.5 | 1800 | 2700 | 2290 | 300 | 1440 | 3530 | 3000 | 7.5 | 5.5 |
| EYH10000 | 10000 | 0.5 | 3000 | 3200 | 2700 | 360 | 1800 | 4240 | 4000 | 15 | 11 |
| EYH12000 | 12000 | 0.5 | 4000 | 3400 | 2800 | 360 | 1910 | 4860 | 4200 | 15 | 11 |
| EYH15000 | 15000 | 0.5 | 5000 | 3500 | 3000 | 360 | 2100 | 5000 | 4400 | 18.5 | 15 |
注:物料堆积比重按0.6g/cm3为计,如超出,订货时请标明。
相关文章
- 2020-01-06 > 三维混合机的结构特点
- 2020-01-06 > 确保双锥混合机的混合效果
- 2020-01-06 > 三维混合机出现剧烈振动的原因
- 2020-01-06 > 二维运动混合机具有哪些特点?
- 2020-01-06 > 三维运动混合机的运作方法
- 2020-01-06 > 二维运动混合机的知识小百科
- 2020-01-06 > 浅谈双锥混合机
- 2020-01-06 > 简单介绍一下二维混合机
- 2020-01-06 > 槽型混合机的维护注意事项
- 2020-01-06 > 无重力混合机的结构特点
相关产品

